
常溫過濾式除氧器
分享到:
長沙潤洲環保設備有限公司是一家水處理設備的生產制造和污水、廢水處理設計及設備制造于一體的專業化環保企業。電話:0731-89908858
- 全國咨詢熱線:
- 18974988658
詳情介紹:
工作原理
常溫過濾式海綿鐵除氧器采用具有大比表面積的海綿鐵除氧劑為濾料,該除氧劑是海綿狀多孔隙的鐵粒,內部結構是規則多孔的網狀,比表面積大于80m2/g,為水中溶解氧提供了大的反應空間,當含有溶解氧的水通過海綿鐵時,水中氧氣與鐵發生徹底的氧化反應,從而保證出水溶解氧含量低于0.05mg/L以下。
海綿鐵除氧器分自動型和手動型。
技術參數
處理水量:4~100t/h | 反洗間隔:24h |
除氧流速:20~30m/h | 工作壓力:0.15~0.5MPa |
試驗壓力:0.75Mpa | 反洗強度:16~21L/(m2˙S) |
工作溫度:5~50°C | 溶解氧含量:6mg/L |
殘氧含量:<0.05mg/L | 控制方式:手動或自動 |

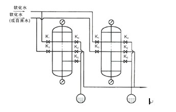
手動控制常溫過濾器工藝系統

自動常溫過濾式除氧器工藝系統圖
技術參數表名稱 | QGY-4 | QGY -6 | QGY -10 | QGY -15 | QGY -20 | QGY -25 | QGY -30 | QGY -40 | QGY -50 | QGY -100 | |
產水量 | 4 | 6 | 10 | 15 | 20 | 25 | 30 | 40 | 50 | 100 | |
(m3/h) | |||||||||||
設備 | 直徑 | 400 | 500 | 700 | 800 | 900 | 1000 | 1100 | 1300 | 1500 | 2000 |
外形 | |||||||||||
尺寸 | 罐體 | 2600 | 2600 | 2800 | 2800 | 2900 | 3100 | 3100 | 3100 | 3100 | 3100 |
(mm) | 高度 | ||||||||||
|
占地 | 500 | 600 | 1000 | 1100 | 1300 | 1400 | 1500 | 1700 | 2000 | 2500 |
|
邊長 | ||||||||||
接管 | 進出口 | 25 | 32 | 40 | 50 | 50 | 65 | 65 | 100 | 100 | 150 |
管徑 | |||||||||||
(DN) | 反洗水 | 25 | 32 | 40 | 50 | 50 | 65 | 65 | 80 | 100 | 150 |
填料層(mm) | 1200 | 1200 | 1200 | 1200 | 1200 | 200 | 200 | 1200 | 1200 | 1200 | |
填料重量(kg) | 270 | 420 | 820 | 1000 | 1300 | 1600 | 2000 | 2800 | 3750 | 6700 | |
設備荷重(kg) | 660 | 910 | 1320 | 1800 | 2300 | 3100 | 3800 | 4600 | 5400 | 15000 | |
工作壓力 | 0.15~0.5 MPa | ||||||||||
控制方式 | 自動型為時間或壓差控制,自動反洗,手動型為壓差控制,手動反洗 | ||||||||||
工作溫度 | 5~50℃(>50℃時可為用戶特殊設計) |
1:用戶在設備選型時應根據實際用水量的峰值來確定,一般選取實際用水量峰值的1.2~1.3倍作為設備處理能力;
2:連續運行流量不宜超過設計流量10%。
自動式 |
手動式生產現場 |